Vestel 11AK08 & 11AK10 chassis
(P.S.U Circuit for this chassis at bottom of page.)
All information is supplied as per our site terms below.
Author: Jack Harding
This very popular chassis of the nineties was manufactured at the Vestel plant in Turkey,
you are most likely to come across it fitted in the supermarket type portable telly.
The 11AK08 chassis may be found in various guises including:
Bush 1433
Crown CRV37 &CRV47
Nei NE3743TX
Nikkai K3743TX
The 11AK10 chassis may also be found in the following sets:
Akai CT2137
Bush 2063NTX
Nei NE5155NT
Nei NE5159TX
Nei NE5555TX
The above is just a small list of TVs containing this chassis.
Repairing the 11AK08 / 11AK10 is normally fairly straightforward, the early chassis use
the standard on screen displays, whereas a full menu system is available on later versions
Listed below are a few of the problems we have experienced. The first section applies to both chassis - scroll down for faults that are specific only to the 11AK08 or 11AK10 chassis (p.s.u etc)
11AK08 / 11AK10- Intermittent height fluctuations
Check for dry joints / broken print around height control VR702
11AK08 / 11AK10- Field cramping at bottom of screen
Check capacitor C704 for leakage, if fault persists go on to check capacitors C701 & C702 (both 4.7nF) & C705 (3.3uF, 50v)
11AK08 / 11AK10- Field collapse
Check the field chips 26v supply safety resistor R711 (4.7ohms), if open circuit suspect failure of the field output chip IC701 (TDA3653B), to prevent repeated failure of IC701 check for dry joints & print damage around the pins of IC701 itself
11AK08 / 11AK10- No or intermittent loss of colour
Check capacitors C418 (100nF), C419 (4.7nF) & C420 (18pF) then the 4.43MHz crystal X401
11AK08 / 11AK10- First anode supply low
Check the value of supply resistor R925 (470Kohms) & associated high voltage capacitor C907
11AK08 / 11AK10- Excessive red picture content
Check feedback resistor R904 (680Kohms) for open circuit
11AK08 / 11AK10- Excessive green picture content
Check feedback resistor R911 (680Kohms) for open circuit
11AK08 / 11AK10- Excessive blue picture content
Check feedback resistor R918 (680Kohms) for open circuit
11AK08 / 11AK10- Loss of red picture content
Check resistor R905 (1.2Kohms) & output transistor Q901 for open circuit
11AK08 / 11AK10- Loss of green picture content
Check resistor R912 (1.2Kohms) & output transistor Q903 for open circuit
11AK08 / 11AK10- Loss of blue picture content
Check resistor R919 (1.2Kohms) & output transistor Q905 for open circuit
11AK08 / 11AK10- Erratic operation / intermittent switches to standby / corrupt on screen display
These problems are normally associated with failure of the ram chip IC502
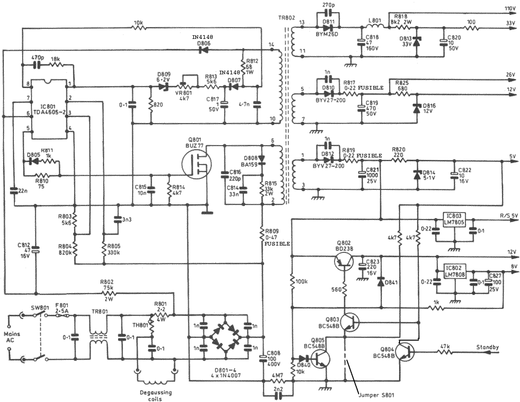
11AK08 - Failure of the fet, TDA4605 etc
This is almost invariably caused by R805 (330K) going o/c
11AK08- Power supply not starting up, no start up supply to pin 6 of the chopper control chip IC801 (TDA4605-2)
Check start up resistor R802 (75Kohms,2w) for open circuit also check diode D806 (1N4148) for short circuit
11AK08- Dead, chopper transistor Q801 (BUZ77) short circuit
Fusible resistor R809 (0.47ohms) will be open circuit, replace along with diode D808 (BA159) & chopper control chip IC801 (TDA4605-2)
11AK08- Power supply tripping
Check capacitor C817 (1uF, 50v), zener diode D809 & diode D807 for failure also check the condition of the h.t preset VR801 (4.7Kohms)
11AK08- H.T incorrect
Check the value of resistor R813 (5.6Kohms) & the condition of the h.t preset VR801 (4.7Kohms)
11AK08- Partial field collapse (IC701 ok)
Check resistor R442 (330Kohms) & capacitors C426 (10nF) & C453 (33nF) associated with the ramp generator circuit of jungle chip IC401 (TDA8362A)
11AK08- Picture blanking (fault may be intermittent)
Check flyback boost diode D701 (BYD33J) & capacitor C707 (100uF,63v) for leakage
11AK08- Grainy picture, a.g.c circuit not functioning correctly
Check capacitor C428 (1uF,50v) associated with pin 48 of the jungle chip IC401 (TDA8362A)
11AK10- To access the service menus use the service code 734
11AK10- Dead, chopper transistor Q801 (BUZ77B) short circuit
The associated Fusible resistor R809 will be open circuit, replace along with diode D808 (1N4937) & chopper control chip IC801
11AK10- Power supply not starting up, no start up supply to pin 6 of the chopper control chip IC801
Check start up resistors R802 & R826 (both 100Kohms, wired in series) for open circuit also check diode D806 for short circuit
11AK10- Power supply tripping
Check capacitor C817 & diode D807 for failure also check the condition of the h.t preset VR801 (2.5Kohms)
11AK10- Partial field collapse (IC701 ok)
Check resistor R442 (330Kohms) & capacitor C426 (33nF) associated with the ramp generator circuit of jungle chip IC401 (TDA8362A)
11AK10- Field foldover at top of screen
Check the value of resistor R710 (680ohms) then Diode D701 for leakage
11AK10- Picture blanking (fault may be intermittent)
Check flyback boost diode D701 (1N4003) & capacitor C707 (100uF,63v) for leakage
11AK10- Grainy picture, a.g.c circuit not functioning correctly
Check capacitor C428 (2.2uF,25v) associated with pin 48 of the jungle chip IC401 (TDA8362A)
P.S.U Circuit 11AK08 chassis, To enlarge image Click here
Copyright © 2000 - 2003 - E.C.S (Technical Publishing)
Site Design & Layout © 2000
All Rights reserved
All Information is supplied as per our Site Terms.
Use of this site deems your acceptance of these terms.
Click links to view our Site Terms and Privacy Policy


|